成人做爰黄级a片免费看土方,成人电影在线看,成人综合网,国产精品99久久久久久久久久久久

首頁 > 10KV電流互感器 > LFZB8-10A電流互感器

LFZB8-10A電流互感器

  • LFZB8-10A電流互感器

  • 產品名稱:LFZB8-10A電流互感器
  • 型號:LFZB8-10A
  • 品牌:上海互凌
  • 座機:021-31263351
  • 企業QQ:919107474
  • 溫馨提示:訂貨時請詳細核對產品規格型號,非標產品訂購則需提供結構、參數、標準、用處等;若之前有過訂購經歷,希望能提供接線圖、接線方式、原理圖及型號等詳細參數。
  • LFZB8-10A電流互感器價格下載 LFZB8-10A電流互感器參數說明下載
  • 訂貨方案:
  • 1、提供接線方案圖、用途和系統圖、額定電壓、額定電流等
  • 2、控制、測量及保護功能以及其他閉鎖和自動裝置的要求。
  • 3、互感器使用在特殊環境條件時,應在訂貨時詳細說明。
  • 4、需要其它或超出附件、備件時應提出種類和數量。
  • 產品詳情

    LFZB8-10A電流互感器概述

    LFZB8-10A,B電流互感器為環氧樹脂澆注全封閉穿墻式結構,適用于額定頻率為50Hz或60Hz,額定電壓為10kV及以下的電力系統中作電能計量、電流測量和繼電保護用。本產品符合IEC60044-1及GB1208《電流互感器》標準。

    簡介

    本型電流互感器為全封閉穿墻式結構,該產品體積小,安裝方便,是取代LA-10、LAJ-10、LFZ-10的新一代產品。

    LFZB8-10A電流互感器額定參數

    額定一次電流(A) 準確級組合 額定二次輸出(VA) 額定短時熱電流(KA) 額定動穩定電流(KA)
    0.2S 0.2 0.5S 0.5 10P10
    20

    0.2S/10P10

    0.2/10P10

    0.5S/10P10

    0.5/10P10

    0.2/0.5/10P10

    0.2/10P10/10P10

    0.5/10P10/10P10

    10 15 15 2 5
    30 3 7.5
    40 4 10
    50 6 15
    75 8 20
    100 12 30
    150 15 37.5
    200 20 50
    300 32 80
    400 36
    500、600 20 63 150
    750、800 80 200
    1000、1200 100 250

    1 額定絕緣水平:12/42/75 kV;
    2 額定二次電流:5A,1A;
    3 額定一次電流、準確級組合、額定輸出及額定動、熱穩定電流見表:
    4 局部放電水平符合GB1208《電流互感器》標準;
    5 污穢等級:Ⅱ級;

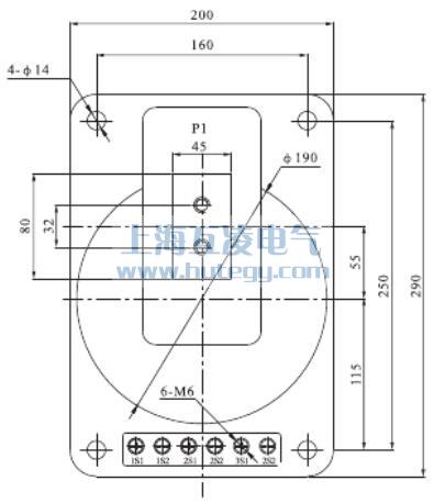
    LFZB8-10A電流互感器外形尺寸圖

    LFZB8-10A電流互感器側面圖LFZB8-10A電流互感器仰視圖

    原理

    是依據電磁感應原理的。電流互感器是由閉合的鐵心和繞組組成。它的一次繞組匝數很少,串在需要測量的電流的線路中,因此它經常有線路的全部電流流過,二次繞組匝數比較多,串接在測量儀表和保護回路中,電流互感器在工作時,它的2次回路始終是閉合的,因此測量儀表和保護回路串聯線圈的阻抗很小,電流互感器的工作狀態接近短路。

    LFZB8-10A電流互感器安裝尺寸及產品外形尺寸圖


    • 產品名稱:
    • LFZB8-10A電流互感器


    • 型號:
    • LFZB8-10A

    本公司是一家具有多年成套配件生產歷史,集開發、生產、銷售為一體的專業化企業,是國家電流互感器、電壓互感器、零序電流互感器、限流電抗器及放電線圈的主要生產廠家之一。歡迎來電咨詢訂購。
    地址:http://m.szhcdc.com/LFZB8-10A-32.html

    相關產品
     
    QQ在線咨詢
    咨詢熱線
    02132163351
    值班電話
    楊:13636588817
    連:18916296997
    上海互凌電氣有限公司 - m.szhcdc.com Copyright 2010-2014 ? 隱私保護 版權所有
    主營產品:電流互感器、電壓互感器、零序電流互感器、限流電抗器、放電線圈、儀用電流互感器 網站地圖